


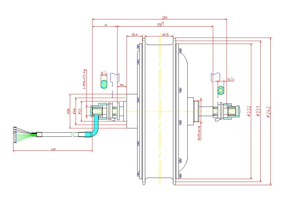
Note: The motor is the version 3 of 3000W fat bikehub motor.the advantage of it is : 1)It 'saluminum stator,is0.35mm 300 silicon steel sheets.the engine has "more power,more torque and higher efficiency"! 2)the phase wire is 4mm square AWG 11,it can afford bigger current. ***** If you need it,please tell me these details: 1)What's the size of wheel? you can choose 20inch----28inch 2)What's the voltage of your battery? you can choose 48V---96V 3)How fast do you need ? you can choose 30km/h--120km/h(with load) 4)Other requirement..... If you buy directly without any connection,we will send you only the motor with the standard speed for 26 inch wheel. Product details: ***Do you suspect the truth of the motor's torque and speed,you can check this: https://www.youtube.com/watch?v=tlCOdz6Wb-4 https://www.youtube.com/watch?v=pqA1yn2qxz8 You can see the high performance of the motor. Quick details: Actuation position Rear Colour BlacK Rated voltage 48V---96V Rated power 1500W---3000W Max speed 530RPM at 48V Rated dfficiey >80% Weight 9.3Kg Open size 170mm Drive and freewheel 6S---9S Cable location Shaft center left Spoke specification 12G Spoke hole 36 holes Phase wire 4mm2 Hlall sets 2 sets Hall sensor Opetional Connector Opetional Brake type V/Disc Noise <50db 1120rpm="" 1500w="" 1900w="" 2200w="" 2600w="" 3000w="" 350="" 3="" 430rpm="" 435rpm="" 48v="" 4="" 525rpm="" 535rpm="" 560rpm="" 5="" 60v="" 610rpm="" 645rpm="" 700rpm="" 72v="" 750rpm="" 840rpm="" 84v="" 860rpm="" 96v="" 980rpm="" alt="Top Free shipping V3 45H magnet 3000W motor with 170mm fork size AWG 11 phase wire 2 sets hall sensor for electric fat bike 0" and="" be="" can="" class="img-fluid" customized="" details="" drawing="" grade="" img="" inside="" ip54="" load="" magnets="" max="" mm="" motor="" of="" ofthe="" power="" powerful="" proof="" rated="" rpm="" speed="" src="https://ae01.alicdn.com/kf/HTB1fnFtOpXXXXb4aFXXq6xXFXXX6/221256497/HTB1fnFtOpXXXXb4aFXXq6xXFXXX6.jpg?size=14559&height=90&width=800&hash=55b90cd44bf6abad3f7437ef8024b0ef" stator="" the="" title="Top Free shipping V3 45H magnet 3000W motor with 170mm fork size AWG 11 phase wire 2 sets hall sensor for electric fat bike 0" turns="" voltage="" water="">













50db>Popular Design Pink Plus Size Evening Dresses Mermaid Spaghetti Backless Sexy Evening Ladies Prom Party Gowns Robe de soiree ADLN 2019 Mermaid Formal Evening Dress with Side Slit Black Prom Gowns Long Party dress Sexy See Through Back robe de Soiree SHAMAI Elegant Romantic Evening Dress Women Sexy Long High Quality Formal Party Dress 2018 New Mermaid Evening Party Gown 88686 iLoveWedding Elegant Evening Dress Long Champagne Crystal Beadings Sexy Mermaid Luxuriy Formal Evening Gowns 2018 Elegant V-neck Champagne Sleeveless Vestido De Festa Sexy Crystal Beading Mermaid Long Evening Dresses Womens Party Prom Dresses Gray Evening Dresses Beaded Pearl Sequined Prom Gowns Gold Mermaid Short Sleeves Vestidos Formal Para Mujer Handwork Sheer Neck Vivian's Bridal Fashion Strapless Candy Color Crystal Evening Dress Sequin Beading Sashes Backless Lace-up Golden Long Dress Tanpell beading evening dress sexy halter sleeveless floor length a line gown lady party prom plus custom formal evening dresses VARBOO_ELSA Long Evening Dress 2018 black girl Mermaid Sheer Sleeveless Black Lace long train backless sexy Mermaid Prom Dresses VARBOO_ELSA 2-piece set Elegant Black Velvet Mermaid Evening Dress Lace Beading High Neck Sleeveless 2018 Formal Prom Gowns LSS072 cheap red and black simple mothers of brides wedding party dress deep v-neck a-line satin evening dress with brush train ADLN New Arrival Black Mermaid Evening Dresses Long Scoop Sleeveless Red Lace Prom Party Gown with Rhinestones and Pearls New Arabic Formal Evening Dresses 2019 V-Neck Half Sleeves Kaftan Prom Dress With Sashes Long Aftonklänning Robe De Soiree 2018 Mermaid Halter Prom Dresses with Crystals Beaded Sweep Train Backless Formal Evening Party Dress for Women Dubai Women Evening Dresses Plus Size 2019 Luxury Pink Beaded Crystal Arabic Prom Dress with Cape Champagne Green Formal Gowns HSDYQHOME Amazing Beading Evening dresses Luxury Prom Dresses Ball gown Vestidos Sleeveless Evening party gown H&S Bridal 2018 Fall arrival luxury beading evening gowns long elegant illusion woman party prom dresses evening Robe De Soiree Finove Luxury Illusion Prom Dress New Design 2019 Tulle with beaded Feathers Sashes A-Line Evening Dress Woman Party Dress Gowns Elegant Formal Pink Evening Dresses 2018 Long Luxury Beading Embroidery Floor Length V-Neck Prom Gowns Plus Size Robe De Soiree Dubai New Gold Fashion Mermaid Evening Dresses 2019 Long Sleeves Beading Sexy Luxury Evening Party Dress LA6629 ADLN Red Lace Mermaid Evening Dresses Scoop Sleeveless Sparkly High Quality Custom Made Prom Party Gown Robe de Soiree modabelle Navy Blue Mermaid Evening Dress Robe Longue Criss-Cross Ruched Sweetheart Women Formal Long Prom Party Gowns ANGEL NOVIAS Long Real Elegant Arabic Evening Dress 2018 with Sleeves Crystals Dubai Formal Vestido Longo De Festa Azul Tanpell one shoulder evening dress black printed sleeveless floor length sheath gown women custom empire formal evening dresses Finove Satin Evening Dresses 2019 New Royal Blue with Beaded V Neck Reflective Dress Long A-Line Formal Dress Gowns Party Dress RSE851 Crystal Straps Halter Neckline Long Sleeves Mermaid Open Leg See Through Lace Robe Soiree Sexy Plus Size Long Evening Dresses With Flower Appliques Beading Tulle Sexy Evening Prom Party Gowns robe de soiree High Quality Blue Boat Neck Sexy A-Line Evening Dresses 2019 Off Shoulder Handmade Flowers Pearls Fashion Evening Gown LA6599 Tanpell one shoulder evening dress pink sleeveless floor length court train gown women custom formal mermaid evening dresses CEEWHY Green Vintage Court Evening Dress Long Sleeve Turkey Saudi Arabia Evening Gowns Floral Prom Dresses Abiye Gece Elbisesi Vivian's Bridal 2018 Fashion Front Slit Whole Hand Made Formal Evening Dress Luxury Sequin Beading Crystal Stripe Pattern Gown Vivian's Bridal Luxury Beading Stripe Crystal Pattern Women Evening Dress Sexy Deep V-neck Illusion Mesh Elegant Party Dress

Tidak ada komentar:
Posting Komentar